Блок вызова домофона БВД-403CPL
Блок вызова домофона БВД-403CPL
- блок вызова БВД-403CPL используется как составная часть видеодомофона VIZIT для 1 абонента;
- звуковой контроль посылки вызова;
- дуплексная громкоговорящая связь с абонентом;
- дистанционное открытие замка входной двери;
- подставка из комплекта принадлежностей обеспечивает поворот блока на 20°;
- звуковая сигнализация режима открывания замка;
- видеоконтроль на экране монитора обстановки перед блоком вызова;
- встроенная CVBS телекамера с функцией "День-ночь" (PAL, 700 TVL, 0 Lux, объектив PINHOLE 90°);
- подсветка для телекамеры;
- напряжение питания постоянного тока, В - 16...25;
- габаритные размеры, мм, (ШхВхГ) - 50х150х38;
- диапазон рабочих температур, °C - от минус 30 до плюс 45.
Для защиты блока вызова от атмосферных осадков рекомендуется использовать монтажные комплекты МK-405.
Совместимые устройства:
- VIZIT-M404: VIZIT-M404C, VIZIT-M404CМ.
- VIZIT-M427C: VIZIT-M427C.
- Модификации VIZIT-M440: VIZIT-M440C, VIZIT-M440CM.
- Модификации VIZIT-M456: VIZIT-М456C, VIZIT-М456CM.
- Терминал монитора VIZIT-MT460: VIZIT-МT460CM.
- Блоки коммутации монитора: БКМ-440.
Варианты исполнения
- C - телекамера цветного изображения;
- P - объектив “pinhole”;
- L - подсветка для телекамеры.
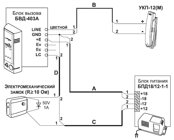
Требования к соединительным проводам

Чтобы приобрести понравившийся товар, необходимо его заказать. Есть несколько сценариев того, как это можно сделать.
- Выбрать понравившийся товар и нажать кнопку «Заказать». При оформлении заказа заполнить форму. Вписать информацию в поля: ФИО, телефон и электронную почту. Затем вам перезвонит менеджер, чтобы подтвердить ваше согласие на совершение покупки.
- Выбрать понравившийся товар и нажать кнопку «В корзину». Затем перейти в корзину и нажать «Оформить заказ». Далее заполнить форму с контактными данными и отправить заявку. С вами свяжется менеджер для дальнейшего обсуждения.
- Перейти в карточку товара и нажать «Купить в один клик». После нажатия нужно заполнить форму и отправить заявку. С вами свяжется менеджер для дальнейшего обсуждения.
Мы работаем с физическими и юридическими лицами. И предоставляем сразу два варианта оплаты.
- Наличные. Вы подписываете товаросопроводительные документы, расплачиваетесь денежными средствами, получаете товар и чек.
- Безналичный расчет. Принимаем карты Visa и MasterCard. Доступен при курьерской доставке.
Ваш заказ можем доставить собственными ресурсами, при условии вашего нахождения в городе. Либо через 4 варианта доставки:
- Курьерская доставка. Курьерская доставка работает с 9:00 до 19:00. Когда товар поступит на склад, курьерская служба свяжется для уточнения деталей. Специалист предложит выбрать удобное время доставки и уточнит адрес.
- Самовывоз из магазина. Для получения заказа обратитесь к сотруднику в кассовой зоне и назовите номер.
- Сотрудничаем с постаматами. Срок хранения — 3 дня.
- Предоставляем почтовую доставку через почту России. Когда заказ придет в отделение, на ваш адрес придет извещение о посылке. Вскрывать коробку самостоятельно вы можете только после оплаты заказа.
Дополнительная вкладка для размещения информации о товарах, доставке или любого другого важного контента. Поможет вам ответить на интересующие покупателя вопросы и развеять его сомнения в покупке. Используйте её по своему усмотрению.
Вы можете убрать её или вернуть обратно, изменив одну галочку в настройках компонента. Очень удобно.
