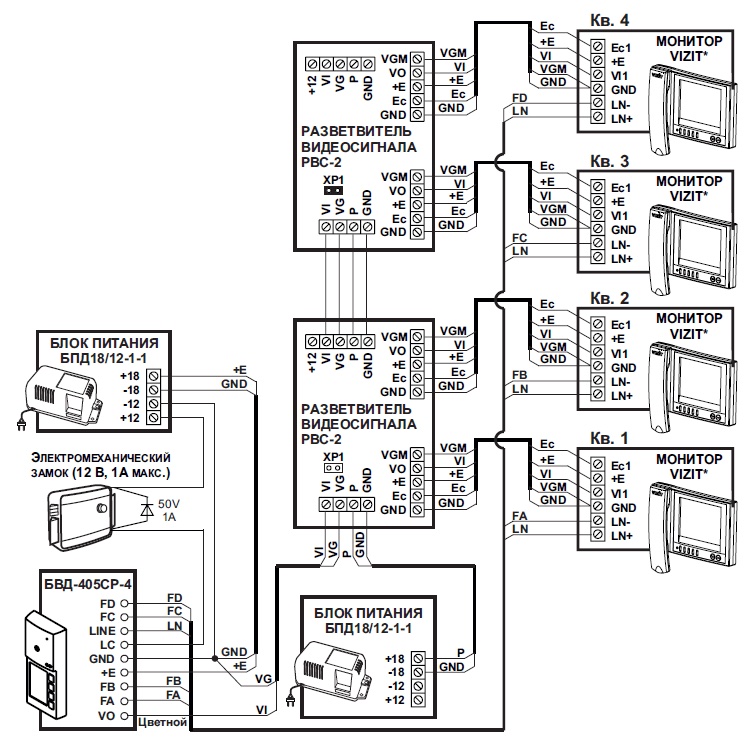
Блок вызова домофона БВД-405CP-4 используется как составная часть домофона VIZIT для 4х абонентов.
Блок вызова домофона БВД-405CP-4 используется как составная часть домофона VIZIT для 4х абонентов.
- вызов абонента путем нажатия кнопки соответствующей квартиры;
- звуковой контроль посылки вызова;
- подсветка именной таблички;
- дуплексная громкоговорящая связь с абонентом;
- открывание замка при нажатии кнопки для открывания замка на УКП или мониторе;
- звуковая сигнализация режима открывания замка;
- визуальный контроль обстановки перед блоком вызова;
- встроенная телекамера цветного изображения с функцией "День-ночь" (PAL, 700 TVL, 0 Lux, объектив PINHOLE 90°);
- ИК подсветка для телекамеры;
- напряжение питания постоянного тока, В - 16...25;
- габаритные размеры, мм, (ШхВхГ) - 51х151х40;
- диапазон рабочих температур, °C - от минус 30 до плюс 45.
Совместимые устройства:
- Модификации VIZIT-KTM602: VIZIT-KTM602M, VIZIT-KTM602R.
- Модификации VIZIT-M440: VIZIT-M440C, VIZIT-M440CM.
- VIZIT-M402: VIZIT-М402С, VIZIT-М402СM.
- Модификации VIZIT-M403: VIZIT-М403С, VIZIT-М403СM.
- VIZIT-M430: VIZIT-М430С.
- Модификации VIZIT-M456: VIZIT-М456C.
- Терминал монитора VIZIT-MT460: VIZIT-МT460CM.
- Блоки коммутации монитора: БКМ-440.
- Модификации БПД18/12: БПД18/12-1-1.
- Разветвители видеосигнала: РВС-2, РВС-4.
Варианты исполнения
- C - CVBS-телекамера цветного изображения;
- P - объектив “pinhole”.
Чтобы приобрести понравившийся товар, необходимо его заказать. Есть несколько сценариев того, как это можно сделать.
- Выбрать понравившийся товар и нажать кнопку «Заказать». При оформлении заказа заполнить форму. Вписать информацию в поля: ФИО, телефон и электронную почту. Затем вам перезвонит менеджер, чтобы подтвердить ваше согласие на совершение покупки.
- Выбрать понравившийся товар и нажать кнопку «В корзину». Затем перейти в корзину и нажать «Оформить заказ». Далее заполнить форму с контактными данными и отправить заявку. С вами свяжется менеджер для дальнейшего обсуждения.
- Перейти в карточку товара и нажать «Купить в один клик». После нажатия нужно заполнить форму и отправить заявку. С вами свяжется менеджер для дальнейшего обсуждения.
Мы работаем с физическими и юридическими лицами. И предоставляем сразу два варианта оплаты.
- Наличные. Вы подписываете товаросопроводительные документы, расплачиваетесь денежными средствами, получаете товар и чек.
- Безналичный расчет. Принимаем карты Visa и MasterCard. Доступен при курьерской доставке.
Ваш заказ можем доставить собственными ресурсами, при условии вашего нахождения в городе. Либо через 4 варианта доставки:
- Курьерская доставка. Курьерская доставка работает с 9:00 до 19:00. Когда товар поступит на склад, курьерская служба свяжется для уточнения деталей. Специалист предложит выбрать удобное время доставки и уточнит адрес.
- Самовывоз из магазина. Для получения заказа обратитесь к сотруднику в кассовой зоне и назовите номер.
- Сотрудничаем с постаматами. Срок хранения — 3 дня.
- Предоставляем почтовую доставку через почту России. Когда заказ придет в отделение, на ваш адрес придет извещение о посылке. Вскрывать коробку самостоятельно вы можете только после оплаты заказа.
Дополнительная вкладка для размещения информации о товарах, доставке или любого другого важного контента. Поможет вам ответить на интересующие покупателя вопросы и развеять его сомнения в покупке. Используйте её по своему усмотрению.
Вы можете убрать её или вернуть обратно, изменив одну галочку в настройках компонента. Очень удобно.
